QBY-B25/B40氣動隔膜泵

概述
QBY/QBY-B是最早研發的兩款氣動隔膜泵,設計外置配氣閥,氣源通過配氣閥改變線路使隔膜泵內部氣體往復循環,達到輸送目的。
1.qby-b是各種高壓力工作環境的******,如輸送介質至壓濾機,抽泥漿,膠水等。
2.產品管徑大,通透性強,耐磨性好,適合大顆粒介質流通。
3.QBY/QBY-B投入市場最早,產品質量穩定成熟,規格多樣,材質齊全,具有廣大的用戶基礎,應用于各種領域。
主要用途
1、各種劇毒、易燃、易軍發液體。
2、和種強酸、強堿、強腐蝕液體。
3、可輸送較高溫度的介質100℃。
4、熱水回收及循環。
5、油罐車、油庫、油品裝卸。
6、泵吸泡菜、果醬、土豆泥、巧克力等。
7、泵吸油漆、樹膠、顏料粘合劑。
8、各種瓷器釉漿水泥灌漿灰漿泥漿。
9、各種橡膠漿乳膠、有機溶劑、填料。
10、用泵為油輪駁船清倉吸取倉內污水及剩油。
11、啤酒花及發酵粉稀漿、糖漿、糖蜜。
12、泵吸礦井、坑道、隧道、下水道中污水、沉淀物。
13、各種特殊介質的吸送。
正確選用隔膜
本隔膜泵的主要部件是隔膜,正確選用隔膜可以達到事半功倍 的目的,用戶訂貨時須注明輸送介質的性質,以便配備不同隔膜, 一般隔膜有下列幾種:
1、丁腈隔膜 N:主要用于耐油場合。
2、氯丁橡膠 C:本廠特制,主要用于耐丙酮及各種酸類、堿 類。
3、氟橡膠 V:本廠特制,主要用于高溫150℃,耐甲苯耐腐 蝕。但價格比其它隔膜高。
4、聚四氟乙烯 F:非常優良的耐腐蝕和耐熱性,當今世界上耐腐蝕性能******材料之一。食品級。
5、聚全氟乙丙烯 F46:耐腐蝕性與聚四氟乙烯相似,耐溫性略差,韌性好。食品級
|
型號 |
流量
(m3 /h)
|
揚程
(m)
|
******出
口壓力
(kgf/c㎡ )
|
吸程
(m)
|
******允許
顆粒直徑
(mm)
|
******供
氣壓力
(kgf.c㎡ )
|
******空氣
消耗量
(m3 /min)
|
正常空氣
消耗量
(m3/min)
|
膜片尺寸
(mm)
|
密封球直徑
(mm)
|
|
QBY-B25 |
0~2.4 |
0~70 |
7 |
0-7 |
4.5 |
7 |
1.7 | 0.6 | 230 |
40 |
|
QBY-B40 |
0~8 | 0~70 | 7 | 0-7 | 4.5 | 7 | 1.7 | 0.6 | 230 | 40 |
|
型號 |
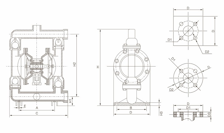
A | B | C | D | E | H | H1 | H2 | H3 |
螺紋式 |
法蘭式 |
重量kg |
|||||||
| D | D1 | D2 | D3 |
鐵 |
鋼 |
鋁 |
塑 |
襯氟 |
|||||||||||
|
QBY-10 |
140 |
55 |
215 |
142 |
10 |
280 |
35 |
206 |
10 |
1/2 |
75 |
50 |
4-φ12 |
12 |
8 | 8 | 5 | 5 |
|
|
QBY-15 |
140 |
55 |
215 |
142 |
10 |
280 |
35 |
206 |
10 |
1/2 |
80 | 55 |
4-φ12 |
12 |
8 | 8 | 5 | 5 |
|
|
QBY-25 |
225 |
160 |
355 |
235 |
12 |
460 |
60 |
360 |
35 | 1 |
100 |
75 |
4-φ12 |
14 | 32 | 28 | 17 |
|
|
|
QBY-40 |
225 |
160 |
355 |
235 |
12 |
460 |
60 |
360 |
35 |
1 1/2 |
130 | 100 |
4-φ14 |
16 | 32 | 29 | 17 |
|
|
|
QBY-50 |
337 | 230 | 535 |
350 |
18 | 720 |
87 |
|
20 |
|
140 | 110 |
4-φ14 |
16 | 106 |
|
67 |
|
|
|
QBY-65 |
337 | 230 | 535 |
350 |
18 | 720 |
87 |
|
20 |
|
160 | 130 |
4-φ14 |
16 | 106 |
|
67 |
|
|
|
QBY-80 |
425 |
250 |
570 |
350 |
20 | 900 | 105 |
|
35 |
|
190 | 150 |
4-φ16 |
18 | 192 |
|
122 |
|
|
|
QBY-100 |
425 |
250 |
570 | 450 | 20 | 900 | 105 |
|
35 |
|
210 | 170 |
4-φ16 |
18 | 192 |
|
122 |
|
|
|
|
|
|
|
|
|
|
|
|
|
|
|
|
|
|
|
|
|
|
|
|
QBY-B10 |
140 |
55 |
215 |
142 |
10 |
280 |
35 |
206 |
10 |
1/2 |
75 | 50 |
4-φ12 |
12 | 8 | 8 | 5 | 5 |
|
|
QBY-B15 |
140 |
55 |
215 |
142 |
10 |
280 |
35 |
206 |
10 |
1/2 |
80 | 55 |
4-φ12 |
12 | 8 | 8 | 5 | 5 |
|
|
QBY-B25 |
225 |
160 |
355 |
235 |
12 | 460 | 60 |
360 |
35 |
1 |
100 | 75 |
4-φ12 |
14 | 32 | 28 | 17 |
|
|
|
QBY-B40 |
225 |
160 |
355 |
235 |
12 | 460 | 60 |
360 |
35 |
1 1/2 |
130 | 100 |
4-φ14 |
16 | 32 | 29 | 17 |
|
|
|
QBY-B50 |
337 |
230 |
535 | 350 | 18 | 720 | 87 |
|
20 |
|
140 | 110 |
4-φ14 |
16 | 106 |
|
67 |
|
|
|
QBY-B65 |
337 |
230 |
535 | 350 | 18 | 720 | 87 |
|
20 |
|
160 | 130 |
4-φ14 |
16 | 106 |
|
67 |
|
|
|
QBY-B80 |
425 |
250 |
570 |
350 |
20 |
900 |
105 |
|
35 |
|
190 | 150 |
4-φ16 |
18 |
192 |
|
122 |
|
|
|
QBY-B100 |
425 |
250 |
570 |
450 |
20 |
900 |
105 |
|
35 |
|
210 |
170 |
4-φ16 |
18 |
192 |
|
122 |
|
|


